LSP-LRS-0621F激光测距模组是我司自主研发的1535nm珥玻璃激光器开发的激光测距模组,采用单脉冲TOF测距方式。具有体积小、重量轻、性能稳定、耐高冲击、一级人眼安全等特点,可应用于手持、车载、吊舱等光电设备。
主要特性 | 应用领域 |
| l激光定位 l激光测距 |

| 项目名称 | 性能指标 |
| 人眼安全级别 | Classl |
| 激光波长 | 1535±5nm |
| 激光束散角 | 0.3mrad |
| 接收口径 | φ21mm |
| 最大测程 | ≥7km(大目标:楼房) |
| ≥6km(车辆:2.3m×2.3m) | |
| ≥3km(人:1.7m×0.5m) | |
| 最小测程 | ≤20m |
| 测距精度 | ≤±1m |
| 测量频率 | 1~10Hz |
| 距离分辨力 | ≤30m |
| 准测率 | >98% |
| 虚警率 | ≤1% |
| 数据接口 | RS422串口(可订制TTL串口) |
| 供电电压 | DC5~28V |
| 平均功耗 | ≤1W@5V(1Hz工作) |
| 峰值功耗 | ≤3W@5V |
| 待机功耗 | ≤0.2W |
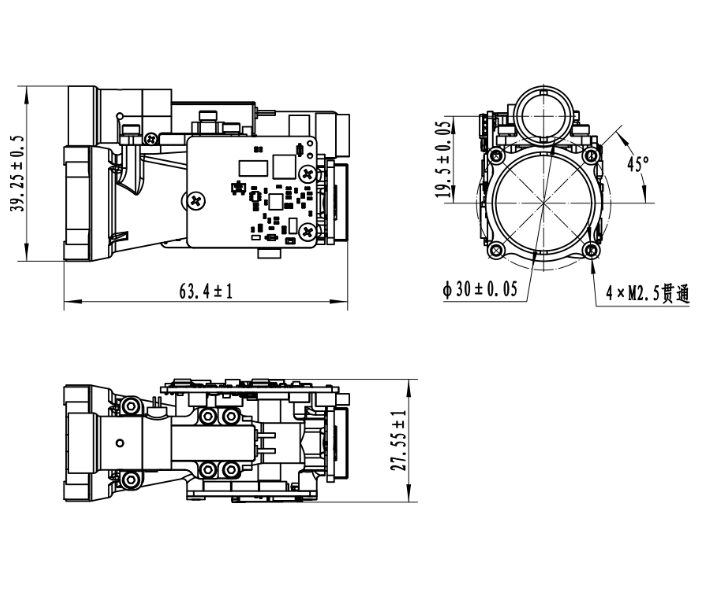
| 外形尺寸 | ≤65m×40mm×28mm |
| 重量 | ≤55g |
| 工作温度 | -40℃~+60℃ |
| 储存温度 | -55℃~+70℃ |
| 冲击 | >75g@6ms |
| 振动 | 螺旋桨飞机振动环境 |
联系人:张先生
手机:+86-15072320922
电话:+86-510-87381808
邮箱:sales@lumispot.cn
地址: 无锡市锡山经济开发区芙蓉中三路99号瑞云4座7楼